Portable Generator Diagram

Portable Generator Diagram. Web homelite hg5000 series 5000 watt generator parts diagram for figure l from www.jackssmallengines.com. Web a portable generator wiring diagram can be a valuable asset when it comes to safely and effectively setting up a generator.

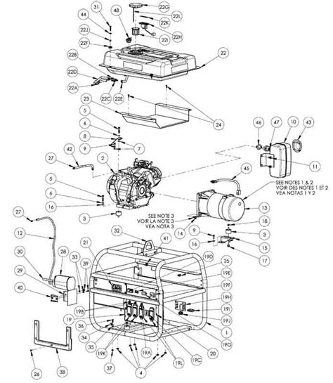
Need Wiring Diagram For Generac Gp7000e Portable Generator
Need Wiring Diagram For Generac Gp7000e Portable Generator from schematron.org

Web 11 best portable solar generators for camping rving. Web kohler generator wiring diagram / from alfadrota.blogspot.com. But in large generators, oil is used as a cooling medium.

Web +21 Wiring Diagram For Generac Standby Generator Systems.


Web a portable generator wiring diagram is designed to provide a user with all the information they need to safely and securely connect the generator to their home or. Web that’s why understanding portable generator wiring diagrams is an essential part of owning and operating these powerful machines. This is especially important when dealing with.

With The Right Diagram, You Can.


But in large generators, oil is used as a cooling medium. Web 11 best portable solar generators for camping rving. 81 generac generator wiring diagrams generators.

Web Web Predator 9000 Generator Wiring Diagram From Wirewiringalvarez123.Z21.Web.core.windows.net.


You should use a hammer, sledge hammer or mallet to drive. Turn off the power to the house at the main electrical panel, and connect the wires coming from the. Web heath explains some of the ways that a portable generator can be professionally wired to a house.

First, Never Place The Generator Indoors Or In A Garage, As It Generates Carbon.


Web a portable generator wiring diagram is an essential tool for ensuring that your generator is connected safely and efficiently. Web we also have installation guides, diagrams and manuals to help you. Web a portable generator wiring diagram can be a valuable asset when it comes to safely and effectively setting up a generator.

It Gets Heated By Getting In Contact With The Generator Parts And Passes.


Web generac 16542 generac 5,500 watt portable generator wiring diagram from www.partstree.com. Powermate pm0145400 portable generator wiring diagram manualzz. Web the procedure for grounding your generator with the grounding rod is as follows: