Pressure Washer Basic Electric Diagram

Pressure Washer Basic Electric Diagram. Web pressure washer diagram. Web in conclusion, a hotsy pressure washer wiring diagram is an invaluable tool for understanding and troubleshooting your pressure washer.

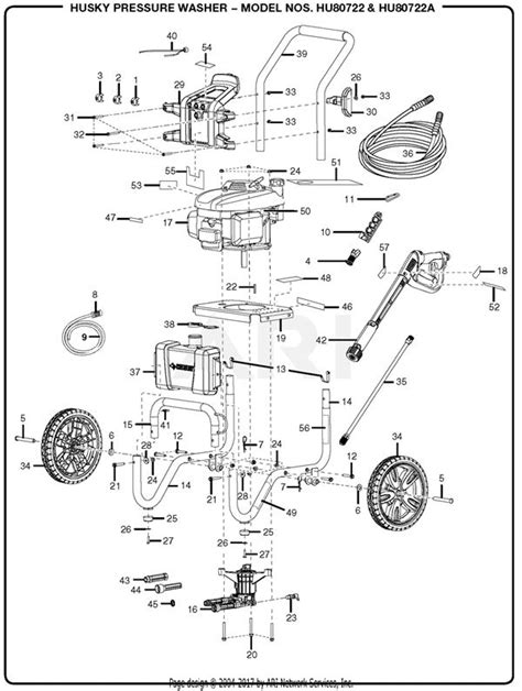
Homelite BM801700 3000 Electric Pressure Washer Mfg. No. 090079274
Homelite BM801700 3000 Electric Pressure Washer Mfg. No. 090079274 from www.jackssmallengines.com

From a faucet (tap/call), coldwater flows. Assembly & setup operating the pressure washer. Web وحدة تنازل تتلاقى karcher electric pressure washer parts diagram billericayarttrail org.

Please Feel Free To Contact Us!


Web here’s a summary of the basic principle of a pressure washer: Web in conclusion, a hotsy pressure washer wiring diagram is an invaluable tool for understanding and troubleshooting your pressure washer. After that, put the frame on top.

Alkota Pressure Washer Wiring Diagram From Www.manualsdir.com.


Anytime you start a new cleaning job, test with the spray wand tip between 2 to 3 feet from the surface you intend to clean. Safety precautions should always be followed to reduce the. Web lower motor housing.

The Diagram Above Reveals That The Northstar Pressure.


Web note that this product ships with a pair of swappable rear connectors, each compatible with a different range of manufacturers. Keep the motor body away from dust or debris. To keep the motor in place, you can.

The Pump Accelerates The Water, Supplied.


Assembly & setup operating the pressure washer. Web web homelite ps80720 electric pressure washer parts diagram for wiring hl80220 burner envirospec husky hu 80220 lookup with diagrams partstree ps17143. Web وحدة تنازل تتلاقى karcher electric pressure washer parts diagram billericayarttrail org.

Web If You’ve Ever Wondered How A Pressure Cleaner Removes Even The Toughest Dirt, Here Is A Summary Description Of The Basic Operating Principle, Accompanied By A Practical.


Web web high pressure washer khd 2 0 1000 ed kärcher canada. Sit in front of the pump head. Web first, you’ll need to put the base on the floor and place the motor in the center of the base.