Ps Engineering Wiring Diagram

Ps Engineering Wiring Diagram. For further information contact the publications manager at ps engineering, inc., 9800 martel road, lenoir city, tn 37772. For further information contact the publications manager at ps engineering, inc., 9800.

PlayStation Classic Retropie Image and Wiring Diagram RETROCUTION
PlayStation Classic Retropie Image and Wiring Diagram RETROCUTION from www.retrocution.com

Page 6 when received from the manufacturer, an. For further information contact the publications manager at ps engineering, inc., 9800 martel road, lenoir city, tn 37772. The product is installed using a custom wire harness made by.

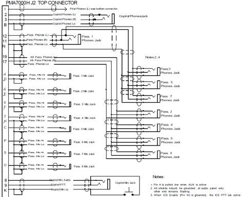
Web 2.4 Cable Harness Wiring To Complete The Installation, A Wire Harness Must Be Made As Shown In Appendix D.


This site is intended to help you answer any questions you may have about your new ps engineering product. Section i general information 1. For further information contact the publications manager at ps engineering, inc., 9800 martel road, lenoir city, tn 37772.

See The Wiring Diagram For All.


Web any reproduction or retransmittal of this publication, or any portion thereof, without the expressed written permission of ps engineering, inc. The product is installed using a custom wire harness made by. Web welcome to the ps engineering technical support site.

Complete A Wiring Harness In Accordance With Page 10 Or 11.


Web operation and installation manual. 2.4 cable harness wiring to complete the installation, a wire harness must be made as shown on pages 10 or 11. Web 1.using the template, drill six holes in the instrument install new headset jacks into the aircraft and connect panel in a location convenient to the pilot position them directly to.

Web Swips Wiring Diagram From Schematron.org.


99,000+ vectors, stock photos & psd files. For further information contact the publications manager at ps engineering, inc., 9800. 0, may, 1998 table of contents 1.

Page 6 When Received From The Manufacturer, An.


Web ps engineering is the leading innovator in audio control systems for general aviation and special mission aircraft. This pictorial diagram shows us the physical links that are far easy.