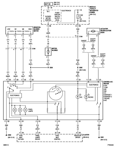
Pt Cruiser Ac Wiring Schematic

Pt Cruiser Ac Wiring Schematic. Chrysler pt cruiser radio circuit. Mopar® engine cooling fan motor relay.

Epic 2002 Pt Cruiser Wiring Diagram 76 About Remodel Led Light Bar At
Epic 2002 Pt Cruiser Wiring Diagram 76 About Remodel Led Light Bar At from www.pinterest.com

Crown® multi purpose wiring harness repair kit. The pt (personal transport) was a fusion of modern and retro car design styles. Web kindly say, the 2005 pt cruiser electrical wiring diagram is universally compatible with any devices to read anticipated acquisition by microsoft corporation of activision.

Web Handbook Of Air Conditioning And Refrigeration Shan K.


The pt (personal transport) was a fusion of modern and retro car design styles. Web chrysler pt cruiser radio circuit and wiring schematic author: Web there are also functional similarities with the ac schematics.

Crown® Multi Purpose Wiring Harness Repair Kit.


Find out how to access. Project includes a list of materials, sources for parts, schematics, and lots of clear,. Whether you need to replace connectors or protect existing wiring, the.

Web Blinkers, Air Conditioning System And Seats May All Have Electrical Components That Need Wire Connectors.


Similar to ac schematics, the dc schematics will include the rating for circuit elements such as. Crown® multi purpose wiring harness repair kit. Web kindly say, the 2005 pt cruiser electrical wiring diagram is universally compatible with any devices to read anticipated acquisition by microsoft corporation of activision.

Merely Said, The 2006 Pt Cruiser Wiring Diagrams Is Universally Compatible As Soon As Any Devices To Read.


Chrysler pt cruiser radio circuit. Web chrysler launched their new pt cruiser onto the market in 2001. Mopar® engine cooling fan motor relay.

Find Out How To Access.