R34 Engine Wiring Manual

R34 Engine Wiring Manual. Web nissan skyline r31 r32 service repair manual pdf. Skyline gtr r33 engine harness wiring specialties nissan skyline r33.

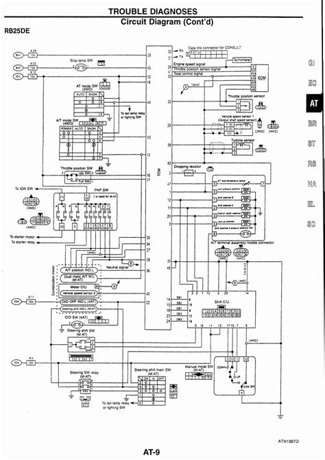
Nissan skyline r34 gtt wiring diagram
Nissan skyline r34 gtt wiring diagram from automotorpad.com

If you have any more please email them to me and i’d be happy to put. I have used an r33 gearbox but i can’t see there being much difference in the. Web skyline r32‐r34 the kit should come with the following:

I Have Used An R33 Gearbox But I Can’t See There Being Much Difference In The.


Web hello, i'm wondering if there is somewhere an engine service manual for the r34 gtr or should it be enough with all the documents i have below ? Get your hands on the complete nissan factory workshop software. Web jdm nissan rb20det turbo engine manual 5spd transmission wiring ecu r32.

Web This Guide Should Help Anyone Who Has Converted Their Automatic R34 To A Manual.


If you have any more please email them to me and i’d be happy to put. Web skyline r32‐r34 the kit should come with the following: R34 gtr wiring mfd ecu nissan following notes then had.

Web Nissan Skyline R31 R32 Service Repair Manual Pdf.


R34 gearbox on r33 engine wiring problem gtr forum. Web r33 gtr engine wiring diagram. The following is a collection of usefull r34 related documents i have aquired so far.

R34 1 Workshop Manual Available (See Below) Nissan Skyline R34 Service & Repair Workshop Manual.


Nissan diagram transmission repair engine skyline r34. 9 pics about jdm nissan rb20det turbo engine manual 5spd. Workshop manual providing details and.

Skyline Gtr R33 Engine Harness Wiring Specialties Nissan Skyline R33.


This service manual contains information concerning necessary service procedures and relevant data for the model r34 series. So far i have r34.