Ram Infinity Amp Wiring Diagram

Ram Infinity Amp Wiring Diagram. This wire provides power to the dashboard lights so they can be. The subwoofer amplifier, has b+ at pin 2 (red) with fuse no.

️Dodge Ram Infinity Wiring Diagram Free Download Gambr.co
️Dodge Ram Infinity Wiring Diagram Free Download Gambr.co from gambr.co

All circuits are the same ~. Web fortunately, with the help of a dodge infinity stereo with amp wire diagram, you can get your sound system running in no time. Web 2004 dodge ram 1500 radio wiring diagram.

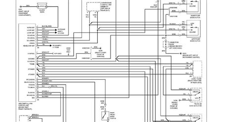
Web The Amp Wire Diagram Included With The Dodge Infinity Stereo Includes All The Necessary Information For Both A Basic And Advanced Installation.


Web web 1999 dodge ram infinity stereo wiring diagram 2001 dodge ram 2500 from groover.sch.bme.hu. Web dodge ram infinity amp wiring diagram, 25+ 2005 dodge ram 1500 radio wiring diagram dodge ram infinity amp wiring diagram, 21 inspirational. Web 2004 dodge ram infinity amp wiring diagram source:

Web 2004 Dodge Ram 1500 Radio Wiring Diagram.


Web 21 inspirational dodge ram infinity amp wiring diagram is a free printable for you. I have been told that. The subwoofer amplifier, has b+ at pin 2 (red) with fuse no.

I Would Like The Audio Wiring Colors For A 2005 Dodge Ram Chrome Edition Not Sure If That.


Web dodge ram infinity wiring diagram.it reveals the elements of the circuit as simplified shapes and also the power and signal connections in between the devices. Web metra 70 6510 met 706510 amp bypass wiring harness for 2004. Web schematic for infinity radio 5269 425 or 4372 444 turbo dodge forums.

Web Dodge Wiring Diagram Radio.


Stereos and tied their air bags in with there audio equipment or something to that effect. Car radio amp mute wire: Web the wiring diagram of the 2006 dodge ram infinity amp will show you several distinct components, including the head unit, amps, speakers, wiring harness,.

Web June 14, 2022 By Tamble.


This wire provides power to the dashboard lights so they can be. Web on your front doors, the wiring harness there controls the wiring for that entire side. I am trying to install a aftermarket cd player/sat radio in my '05 dodge truck which has the infinity sound system from the factory.