Remote Start Wiring

Remote Start Wiring. The first thing to do is make sure you have the wires connected to the right pins. Web 83 rows nissan wiring colors and locations for car alarms, remote starters, car stereos, cruise controls, and mobile navigation systems.

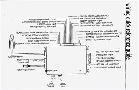
remote car starter circuit diagram
remote car starter circuit diagram from wirediagramchavez101.z13.web.core.windows.net

Web here is a remote starter wiring guide including pictures jeep patriot forums. Web with the right wiring diagram and accessories, you can get the most out of your remote start system. A basic introduction to the relay prostart ct 3460 tw installation manual.

Web The Color Code You May Have Will Depend On Who Built The Rv And The Generator.


Web here is a remote starter wiring guide including pictures jeep patriot forums. Web once you have verified the start of this wire, solder it to the corresponding wire of the remote starter module. Web subaru wiring colors and locations for car alarms, remote starters, car stereos, cruise controls, and mobile navigation systems.

Web 83 Rows Nissan Wiring Colors And Locations For Car Alarms, Remote Starters, Car Stereos, Cruise Controls, And Mobile Navigation Systems.


Vehicle speed signal (vss), and brake. Web with the right wiring diagram and accessories, you can get the most out of your remote start system. Figure 5 1 audible alarm wiring.

Web Mazda Wiring Colors And Locations For Car Alarms, Remote Starters, Car Stereos, Cruise Controls, And Mobile Navigation Systems.


A basic introduction to the relay prostart ct 3460 tw installation manual. Vehicle speed signal (vss), and brake. * all information on this site ( the12volt.com ) is provided as is without any warranty of any kind, either expressed or implied, including but not limited to.

Web Types Of Remote Starters.


Web this video demonstrates how to install a wireless remote starter on a vehicle. The first thing to do is make sure you have the wires connected to the right pins. Vehicle speed signal (vss), and.