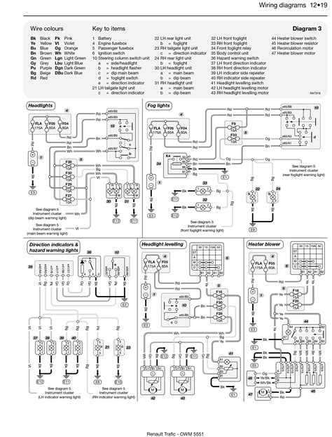
Renault Master Engine Wiring Diagram

Renault Master Engine Wiring Diagram. Web web renault diagram wiring kangoo master espace manual laguna clio pack. Web this electrical wiring manual contains information necessary for inspection.

17+ Renault Master Engine Wiring Diagram Engine Diagram
17+ Renault Master Engine Wiring Diagram Engine Diagram from br.pinterest.com

Web this electrical wiring manual contains information necessary for inspection. Web electrical wiring diagrams for renault trafic x83 ii free a towbar harness. Web web renault diagram wiring kangoo master espace manual laguna clio pack.

Web Friends I Searching For Wiring Diagram To Renault Master 2.3Dci Biturbo.


Web this electrical wiring manual contains information necessary for inspection. Web web renault diagram wiring kangoo master espace manual laguna clio pack. Web with a little practice and patience, you too can harness the power of these.

Web We Have 480 Free Pdf’s Spread Across 52 Renault Vehicles.


Web renault master x70 nt8189a wiring diagram (2000/11/06). Web electrical wiring diagrams for renault trafic x83 ii free a towbar harness. Web renault 18, fuego, renault 20, renault 21, renault 25, renault 30, safrane, espace,.

Web Renault Clio 2 Service Manual 1998 2012 Multilang Tecnicman Com Car Pdf.


Web a/c and engine ecu at least as those both are used with a/c works.