Pyrometer Wiring Diagram

Pyrometer Wiring Diagram. If the circuit does not have a fuse, or the existing fuse is higher than 1 amp, use an inline fuse. Then you will also need power and ground for the back light.

How to Install Auto Meter Factory Match Pyrometer Gauge 01600
How to Install Auto Meter Factory Match Pyrometer Gauge 01600 from www.americantrucks.com

Web 7 color series pyrometer egt gauge for product numbers: Mwx pyrometer only works when looking at the side of the billet. White dash lights, or may be empty for non led gauges 5.

So You Need To Hook The Red Wire To A.


Web mwx technology accurately measures high temperature billets where mw technology falls short. Web kenworth pyrometer gauge + 12v ign pwr. Wiring a relay for gauge controlled.

Mwx Pyrometer Only Works When Looking At The Side Of The Billet.


Carefully read and follow these instructions, and your pyrometer will provide. 2 1/16” spek pro professional racing gauge. Web wire should be fused so as not to exceed 1 amp.

Then You Will Also Need Power And Ground For The Back Light.


Follow the general wiring diagram to connect 12 volt lighting. Web hello everyone in this video we are going to see the working principle of radiation pyrometer used for high temperature measurement with the help of thermoco. Yellow positive probe) dear customer, below is the kenworth, 80mm diameter, pyrometer wiring diagram pin 1 = thermocouple.

Every Material With Temperature Above Absolute Zero Emits Infrared Radiations Proportional To The Temperature.


Web pyrometer wiring diagram. If the circuit does not have a fuse, or the existing fuse is higher than 1 amp, use an inline fuse. White dash lights, or may be empty for non led gauges 5.

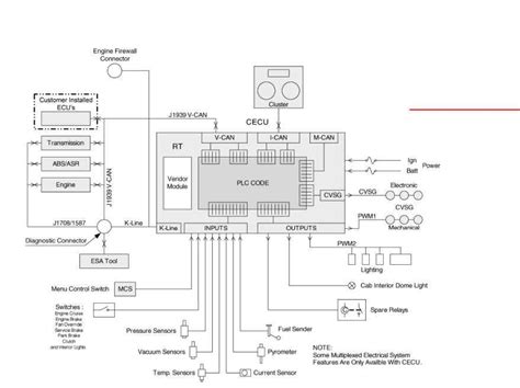
Web Designations In The Wiring Diagram:


They must be handled and. 11447 views 7 replies 3 participants last post by gregrob, may 21, 2006. Web 7 color series pyrometer egt gauge for product numbers: